Меню сайта
          
          
        
            Двигатель
          
          
        
            Категории раздела
          
          
        
            Найдите на сайте
          
          
        
            Наш опрос
          
          
        
            Наши посетители
          
          
        
            Статистика
          
          
        
            Новости мастерской
          
          
        
            Реклама
          
          
        
            Сегодня на форуме
          
          
        
        Главная » Технологии ремонта » Отопление » Начало » Способы подключения радиаторов отопления
        
        
           
          
        При монтаже отопительной системы возникают различные сложности по установке и подключению радиаторов отопления. То есть, не всегда можно подключить радиатор по классической схеме. Для выхода из сложившейся ситуации рассмотрим несколько вариантов подключения, каждый из которых имеет свои плюсы и минусы.
        
        
          
          
        
Схема подключения сверху-вниз по диагонали (схема 1) – позволяет радиатору максимально отдавать тепло. Эта схема очень эффективна при обвязке длинных радиаторов, с числом секций более 15. Для скрытой проводки трубопроводы закладывают в стене, а для управления теплоотдачей устанавливают угловые ручной (1) и запорный (3) вентили. При установке термостатической головки (2), следует располагать её ось перпендикулярно стене, так как в этом случае её показания имеют наименьшую погрешность.
        
        
          
          
        
Схема подключения снизу-вниз (схема 2) – достигается равномерный прогрев радиатора, но уменьшается теплоотдача, примерно на 5%. При таком подключении возможна подводка трубопроводов, как из стены, так и из пола. С помощью запорного вентиля производят регулировку теплоотдачи радиатора.
        
        
          
          
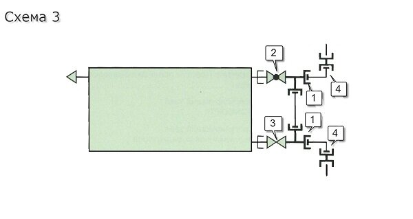
        Боковая схема подключения сверху-вниз (схема 3) – применяется при открытой разводке труб и числом секций радиатора не более 15. Эта схема широко распространена при подключении радиаторов в многоквартирных домах к отопительным стоякам (4). Для регулирования теплоотдачи прибора применяется ручной вентиль, а для исключения запирания циркуляции теплоносителя в радиаторе, применяется байпасная линия, позволяющая циркулировать теплоносителю, не зависимо от степени регулировки теплоотдачи радиатора. Необходимо помнить, что теплоотдача радиатора уменьшается на 7%.
        
        
          
        
Для увеличения теплоотдачи отопительных приборов при нижних подключениях, применяются различные инженерные ухищрения. Рассмотрим некоторые из них.
        
        
          
          
        
Узел для нижнего подключения «monodet» (схема 4) – используется при скрытой нижней разводке трубопроводов к радиаторам. Теплоноситель подаётся через зонд (3) и выводится в канал (4), вокруг зонда, в корпусе узла.
        
        
          
        
Максимальная отдача теплоносителя и его оптимальное распределение по радиатору обеспечивается при длине зонда 1/2 - 2/3 длины радиатора. Потери теплоотдачи радиатора, при этой схеме, составляют 10%.
        
          
           
          
        
        
          
        
Для увеличения теплоотдачи радиатора, подключенного по схеме снизу-вниз, применяются устройства, называемые «переходник-распределитель», которые организуют течение теплоносителя в радиаторе по самой эффективной схеме сверху-вниз по диагонали (схема 5). Это устройство представляет собой полую насадку с резиновым подпружиненным клапаном, который закрывает вход в следующую секцию и пропуская теплоноситель, через боковое отверстие, в первую секцию.
        
        
          
        
Применение вышеописанных схем позволяет подключить радиаторы в соответствии с местными требованиями системы отопления.
Нужен ваш плюс статье!
        
          
          
        Категория: Начало | Добавил: kostas (14 Май 2012) Просмотров: 19419 | 
        
          
            
        
    
          Способы подключения радиаторов отопления
        
        

Схема подключения сверху-вниз по диагонали (схема 1) – позволяет радиатору максимально отдавать тепло. Эта схема очень эффективна при обвязке длинных радиаторов, с числом секций более 15. Для скрытой проводки трубопроводы закладывают в стене, а для управления теплоотдачей устанавливают угловые ручной (1) и запорный (3) вентили. При установке термостатической головки (2), следует располагать её ось перпендикулярно стене, так как в этом случае её показания имеют наименьшую погрешность.


Схема подключения снизу-вниз (схема 2) – достигается равномерный прогрев радиатора, но уменьшается теплоотдача, примерно на 5%. При таком подключении возможна подводка трубопроводов, как из стены, так и из пола. С помощью запорного вентиля производят регулировку теплоотдачи радиатора.


Для увеличения теплоотдачи отопительных приборов при нижних подключениях, применяются различные инженерные ухищрения. Рассмотрим некоторые из них.

Узел для нижнего подключения «monodet» (схема 4) – используется при скрытой нижней разводке трубопроводов к радиаторам. Теплоноситель подаётся через зонд (3) и выводится в канал (4), вокруг зонда, в корпусе узла.

Максимальная отдача теплоносителя и его оптимальное распределение по радиатору обеспечивается при длине зонда 1/2 - 2/3 длины радиатора. Потери теплоотдачи радиатора, при этой схеме, составляют 10%.

Для увеличения теплоотдачи радиатора, подключенного по схеме снизу-вниз, применяются устройства, называемые «переходник-распределитель», которые организуют течение теплоносителя в радиаторе по самой эффективной схеме сверху-вниз по диагонали (схема 5). Это устройство представляет собой полую насадку с резиновым подпружиненным клапаном, который закрывает вход в следующую секцию и пропуская теплоноситель, через боковое отверстие, в первую секцию.

Применение вышеописанных схем позволяет подключить радиаторы в соответствии с местными требованиями системы отопления.
Нужен ваш плюс статье!
| Всего комментариев: 0 | |
 
  
  
      
 
                         
                         
                         
                         
                         
                         
                         
                         
                         
                         
                         
                         
                         
                        